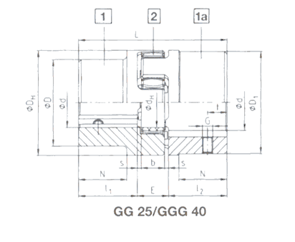
| size |
Com-
ponent |
Spider
(part 2) 1)
Rated torque [Nm] |
Dimensions [mm] |
| Finish bore
d(min-max) |
General |
Thread for setscrews |
|
92 Sh A |
98 Sh A |
64 Sh D |
L |
1;12 |
E |
b |
s |
DH |
dH |
D;D1 |
N |
G 2) |
t |
| 14 |
1a |
7.5 |
12.5 |
- |
6-16 |
35 |
11 |
13 |
10 |
1,5 |
30 |
10 |
30 |
- |
M4 |
5 |
| 19 |
1 |
10 |
17 |
- |
6-19 |
66 |
25 |
16 |
12 |
2 |
41 |
18 |
32 |
20 |
M5 |
10 |
| 1a |
19-24 |
41 |
| 24 |
1 |
35 |
60 |
- |
9-24 |
78 |
30 |
18 |
14 |
2 |
56 |
27 |
40 |
24 |
M5 |
10 |
| 1a |
22-28 |
56 |
| 28 |
1 |
95 |
160 |
- |
10-28 |
90 |
35 |
20 |
15 |
2,5 |
67 |
30 |
48 |
28 |
M5 |
10 |
| 1a |
28-38 |
67 |
ROTEX® Cast iron (GG25)
|
|
38
|
1
|
190
|
325
|
405
|
12-38
|
114
|
45
|
24
|
18
|
3
|
80
|
38
|
66
|
37
|
M8
|
15
|
|
1a
|
38-45
|
78
|
|
1b
|
164
|
70
|
62
|
|
42
|
1
|
265
|
450
|
560
|
14-42
|
126
|
50
|
26
|
20
|
3
|
95
|
46
|
75
|
40
|
M8
|
20
|
|
1a
|
42-55
|
94
|
|
1b
|
176
|
75
|
65
|
|
48
|
1
|
310
|
525
|
655
|
15-48
|
140
|
56
|
28
|
21
|
3,5
|
105
|
51
|
85
|
45
|
M8
|
20
|
|
1a
|
48-60
|
104
|
|
1b
|
188
|
80
|
69
|
|
55
|
1
|
410
|
685
|
825
|
20-55
|
160
|
65
|
30
|
22
|
4
|
120
|
60
|
98
|
52
|
M10
|
20
|
|
1a
|
55-70
|
118
|
|
65
|
1
|
625
|
940
|
1175
|
22-65
|
185
|
75
|
35
|
26
|
4,5
|
135
|
68
|
115
|
47
|
M10
|
20
|
|
75
|
1
|
1280
|
1920
|
2400
|
30-75
|
210
|
85
|
40
|
30
|
5
|
160
|
80
|
135
|
53
|
M10
|
25
|
|
90
|
1
|
2400
|
3600
|
4500
|
40-90
|
245
|
100
|
45
|
34
|
5,5
|
200
|
100
|
160
|
62
|
M12
|
30
|
ROTEX® Nodular
iron (GGG40)
|
|
100 |
1 |
3300 |
4950 |
6185 |
50-115 |
270 |
110 |
50 |
38 |
6 |
225 |
113 |
180 |
89 |
M12 |
30 |
|
110 |
1 |
4800 |
7200 |
9000 |
60-125 |
295 |
120 |
55 |
42 |
6,5 |
225 |
127 |
200 |
96 |
M16 |
35 |
|
125 |
1 |
6650 |
10000 |
12500 |
60-145 |
340 |
140 |
60 |
46 |
7 |
290 |
147 |
230 |
112 |
M16 |
40 |
|
140 |
1 |
8550 |
12800 |
16000 |
80-160 |
375 |
155 |
65 |
50 |
7,5 |
320 |
165 |
255 |
124 |
M20 |
45 |
|
160 |
1 |
12800 |
19200 |
24000 |
85-185 |
425 |
175 |
75 |
57 |
9 |
370 |
190 |
290 |
140 |
M20 |
50 |
|
180 |
1 |
18650 |
28000 |
35000 |
85-200 |
475 |
195 |
85 |
64 |
10,5 |
420 |
220 |
325 |
156 |
M20 |
50 |
|